Zhejiang Sehnaider Electric Co., Ltd.
Zhejiang Sehnaider Electric Co., Ltd.
Produk
BH-0.66-20 Transformator saat ini
  • BH-0.66-20 Transformator saat iniBH-0.66-20 Transformator saat ini

BH-0.66-20 Transformator saat ini

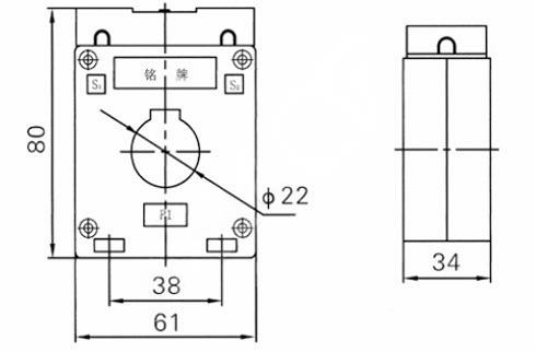
BH-0.66-20 Transformator saat ini adalah transformator arus berkualitas tinggi yang dirancang untuk pengukuran yang akurat dan pemantauan arus listrik di berbagai aplikasi industri. Dengan arus pengenal 0,66A dan frekuensi 50/60Hz, transformator ini memberikan kinerja yang andal dan pembacaan yang tepat.

Transformator saat ini BH-0.66-20 menampilkan desain yang ringkas dan kuat, membuatnya cocok untuk pemasangan di ruang sempit dan lingkungan yang keras. Mereka dilengkapi dengan bahan dan komponen berkualitas tinggi untuk memastikan stabilitas dan daya tahan jangka panjang.


Transformer saat ini mudah dipasang dan dipelihara, membuatnya ideal untuk berbagai aplikasi, termasuk distribusi daya, manajemen energi, dan otomatisasi industri. Mereka mematuhi standar internasional untuk keselamatan dan kinerja, memberikan pengguna ketenangan dan kepercayaan diri dalam operasi mereka.


Secara keseluruhan, transformator arus BH-0.66-20 adalah pilihan sempurna untuk pengukuran dan pemantauan arus yang akurat dalam pengaturan industri, menawarkan keandalan, presisi, dan daya tahan untuk berbagai sistem listrik.


Parameter teknis utama

Dinilai primer
Saat ini (a)
Ketepatan
kelas
kombinasi
Output Sekunder Nilai (VA) Adalah arus termal (KA) Rated Dynamic Current (KA)
0,2 (s) 0.2 0.5 10p10
5-40 0.2/10p10
0,5/10p10
/ 10 10 15 90lin 220lin
5-40 100lin 250lin
5-40 20 50
5-40
5-40 36 90
10
5-40 45 100
5-40 56 100
5-40
5-40 80 110
5-40 100 110



Tag Panas: BH-0.66-20 Transformator saat ini
mengirimkan permintaan
Info kontak
Jika Anda memiliki pertanyaan tentang kutipan atau kerja sama, jangan ragu untuk mengirim email kepada kami di river@dahuelec.com atau menggunakan formulir pertanyaan berikut. Perwakilan penjualan kami akan menghubungi Anda dalam waktu 24 jam. Terima kasih atas minat Anda pada produk kami.
X
Kami menggunakan cookie untuk menawarkan Anda pengalaman penelusuran yang lebih baik, menganalisis lalu lintas situs, dan mempersonalisasi konten. Dengan menggunakan situs ini, Anda menyetujui penggunaan cookie kami. Kebijakan Privasi
Menolak Menerima