Zhejiang Sehnaider Electric Co., Ltd.
Zhejiang Sehnaider Electric Co., Ltd.
Produk
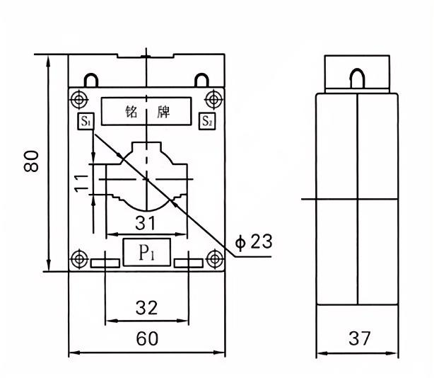
BH-0.66-30 Transformers saat ini
  • BH-0.66-30 Transformers saat iniBH-0.66-30 Transformers saat ini

BH-0.66-30 Transformers saat ini

BH-0.66-30 Transformers (CTS) adalah instrumen rekayasa presisi yang dirancang untuk pengukuran dan pemantauan arus yang akurat dalam sistem listrik tegangan rendah. Dengan tegangan isolasi terukur 0,66kV, transformator ini sangat ideal untuk manajemen energi, relay pelindung, dan aplikasi pengukuran.

Fitur:

Akurasi Tinggi: Memenuhi Standar IEC 61869, memastikan kinerja yang dapat diandalkan untuk tujuan penagihan dan pemantauan.

Desain Compact: Konstruksi hemat ruang untuk pemasangan mudah di ruang sempit.

Kisaran arus luas: Arus primer hingga 30A, cocok untuk beragam beban industri dan komersial.

Bahan yang tahan lama: Perumahan yang kuat memberikan resistensi terhadap faktor lingkungan dan tekanan mekanik.

Kepatuhan Keselamatan: BH-0.66-30 Transformers saat ini sesuai dengan sertifikasi keselamatan dan kinerja internasional.


Aplikasi:

Pengukuran Energi dalam Sistem Distribusi Daya.

Perlindungan arus berlebih dalam pemutus dan relay sirkuit.

Integrasi dengan Smart Grids dan Solusi Pemantauan Berbasis IoT.

Spesifikasi Teknis:

Tegangan Dinilai: 0,66kv

Frekuensi: 50/60Hz

Kelas Akurasi: 0,5, 1.0 (dapat disesuaikan)

Beban: Sesuai Persyaratan Pelanggan


Parameter teknis utama

Dinilai primer
Saat ini (a)
Ketepatan
kelas
kombinasi
Output Sekunder Nilai (VA) Adalah arus termal (KA) Rated Dynamic Current (KA)
0,2 (s) 0.2 0.5 10p10
5-40 0.2/10p10
0,5/10p10
/ 10 10 15 90lin 220lin
5-40 100lin 250lin
5-40 20 50
5-40
5-40 36 90
10
5-40 45 100
5-40 56 100
5-40
5-40 80 110
5-40 100 110


Tag Panas: BH-0.66-30 Transformers saat ini
mengirimkan permintaan
Info kontak
Jika Anda memiliki pertanyaan tentang kutipan atau kerja sama, jangan ragu untuk mengirim email kepada kami di river@dahuelec.com atau menggunakan formulir pertanyaan berikut. Perwakilan penjualan kami akan menghubungi Anda dalam waktu 24 jam. Terima kasih atas minat Anda pada produk kami.
X
Kami menggunakan cookie untuk menawarkan Anda pengalaman penelusuran yang lebih baik, menganalisis lalu lintas situs, dan mempersonalisasi konten. Dengan menggunakan situs ini, Anda menyetujui penggunaan cookie kami. Kebijakan Privasi
Menolak Menerima