Zhejiang Sehnaider Electric Co., Ltd.
Zhejiang Sehnaider Electric Co., Ltd.
Produk
BH-0.66-50 Transformator saat ini
  • BH-0.66-50 Transformator saat iniBH-0.66-50 Transformator saat ini

BH-0.66-50 Transformator saat ini

Transformator arus BH-0.66-50 adalah instrumen presisi yang dirancang untuk pengukuran yang akurat dan pemantauan arus listrik di berbagai aplikasi industri. Dengan arus terukur 50A dan rasio transformasi 0,66, transformator ini memberikan kemampuan pengukuran saat ini yang andal dan tepat.

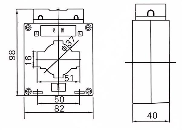
Transformator arus resin epoksi indoor atau transformator arus casing plastik dalam ruangan

• Fase tunggal, dua fase atau tiga fase.

• Tegangan pengenal: 0,66kV

• Kelas pengukuran untuk CT: 0,2S, 0,2,0,5, 0,5s

• Standar: IEC61869-2

• Jenis Nama: BH-0.66-50

Trafo arus tipe kering dalam ruangan ini digunakan dalam 0,66kV, 0,75kV. sistem daya, untuk mengukur dan perlindungan.

Ini telah digunakan di bilik switchgear atau di stasiun switching yang dipasang di teluk.

Transformator arus BH-0.66-50 terbuat dari resin epoksi indoor suhu tinggi, inti paduan amorf untuk pengukuran dan inti di dalamnya berkualitas tinggi untuk perlindungan, penggunaan tembaga elektrolitik murni primer dan sekunder.


Aplikasi:

Sistem Distribusi Daya

Sistem Manajemen Energi

Pemantauan Peralatan Industri

Sistem Energi Terbarukan


1. Bahan Premium

Inti bermutu tinggi: baja silikon yang dilaminasi presisi atau inti nanokristalin untuk kerugian minimal dan linearitas tinggi.  

Insulasi yang kuat: Desain resin epoksi memastikan stabilitas jangka panjang di lingkungan yang keras.  


2. Kinerja Superior

Akurasi: Kelas 0.2/0,5 untuk pengukuran, 5p/10p untuk perlindungan, sesuai dengan standar IEC 61869, 60044, IEEE, dan ANSI.  

Rentang luas: Mendukung sistem 0,6kV-36KV, dengan rasio/frekuensi khusus (50/60Hz).  

Bangkit Termal Rendah: Desain yang dioptimalkan mengurangi overheating, memperpanjang umur.  

Kekebalan EMC: Perisai terhadap gangguan elektromagnetik untuk sinyal yang dapat diandalkan.  


3. Layanan & Dukungan

Solusi Kustom: Rasio yang disesuaikan, ukuran, atau konektor (mis., DIN Rail, Terminal IEC).  

Sertifikasi Global: IEC, CE, ISO, dan Persetujuan Grid Lokal.  

Bantuan Teknis Seumur Hidup: Dukungan 24/7, panduan pemasangan, dan pasokan suku cadang.  

Pengiriman cepat: Produk standar dalam 2-4 minggu; Opsi yang dipercepat untuk kebutuhan mendesak.  


Parameter teknis utama

Dinilai primer
Saat ini (a)
Ketepatan
kelas
kombinasi
Output Sekunder Nilai (VA) 1s Thermal Current (KA) Rated Dynamic Current (KA)
0,2 (s) 0.2 0.5 10p10
5-40 0.2/10p10
0,5/10p10
/ 10 10 15 90lin 220lin
5-40 100lin 250lin
5-40 20 50
5-40
5-40 36 90
10
5-40 45 100
5-40 56 100
5-40
5-40 80 110
5-40 100 110




Tag Panas: BH-0.66-50 Transformator saat ini
mengirimkan permintaan
Info kontak
Jika Anda memiliki pertanyaan tentang kutipan atau kerja sama, jangan ragu untuk mengirim email kepada kami di river@dahuelec.com atau menggunakan formulir pertanyaan berikut. Perwakilan penjualan kami akan menghubungi Anda dalam waktu 24 jam. Terima kasih atas minat Anda pada produk kami.
X
Kami menggunakan cookie untuk menawarkan Anda pengalaman penelusuran yang lebih baik, menganalisis lalu lintas situs, dan mempersonalisasi konten. Dengan menggunakan situs ini, Anda menyetujui penggunaan cookie kami. Kebijakan Privasi
Menolak Menerima