Kelas akurasi tinggi 0,5 - memberikan pengukuran saat ini yang tepat untuk aplikasi pengukuran dan pemantauan.
Rentang Pengukuran Luas - Mendukung beberapa rasio arus untuk mengakomodasi berbagai kondisi beban.
Desain kompak & ringan - mudah dipasang di ruang sempit tanpa kompromi kinerja.
Stabilitas termal yang sangat baik - memastikan operasi yang stabil bahkan di bawah suhu yang berfluktuasi.
Insulasi & Keselamatan yang Kuat - Mematuhi standar keselamatan industri, menawarkan perlindungan yang dapat diandalkan terhadap kesalahan listrik.
Aplikasi Serbaguna - Ideal untuk digunakan dalam panel distribusi daya, otomatisasi industri, dan sistem energi terbarukan.
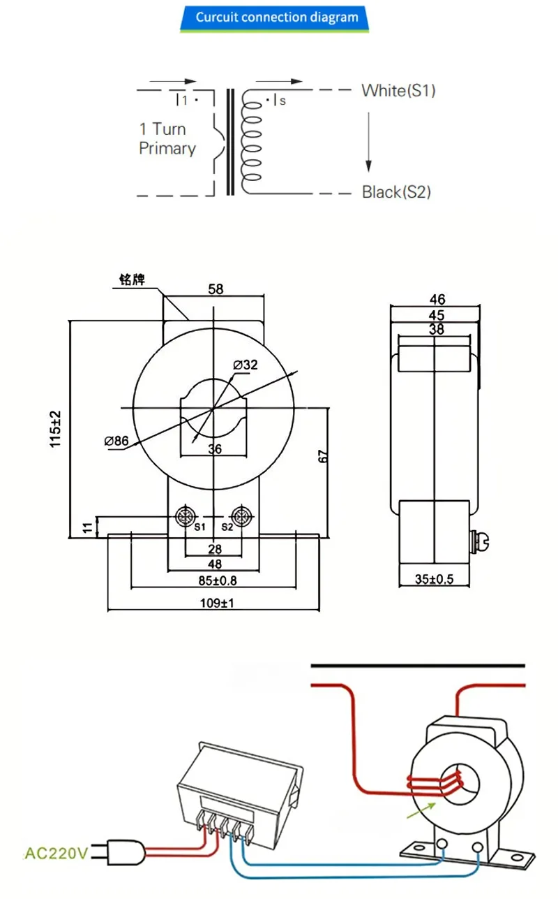
Nilai arus primer: disesuaikan (mis., 5a ~ 2000a)
Nilai Arus Sekunder: 5A atau 1A (Standar)
Kelas Akurasi: 0,5
Frekuensi: 50Hz/60Hz
Level Insulasi: Hingga 3KV
Suhu operasi: -25 ° C hingga +70 ° C
Pengukuran Daya & Pemantauan Energi
Relay Perlindungan & Pemutus Sirkuit
Sistem Listrik Industri & Komersial
Instalasi tenaga surya & tenaga angin

Alamat
Zona Industri Xiangyang, Yueqing, Zhejiang, Cina
Telp
Surel